PP Stub flanges for loose flange ISO/DIN, with chamfer, injected, With short spigots Stub flange

Order no. 010022342

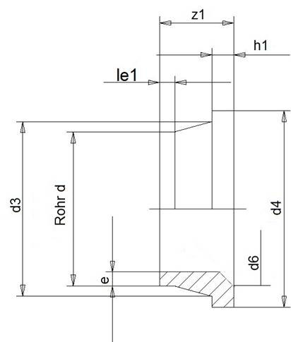
Material
PP-R
SDR
11
d mm
450
e mm
40.9
Design
injected
d3 mm
514
d4 mm
585
d6 mm
449
z1 mm
139
h1 mm
60
le1 mm
60
Weight kg/piece
14.31
Colour
grey - RAL 7032
VPE/P.U. Stck./Pcs.
1
Product no.
010022342
Stock availability
Available on request

Random copolymer

Product properties

  • Good processing capability
  • High impact strength even at low temperatures
  • Excellent chemical resistance
  • High flexibility
  • Extremely versatile

Areas of use

  • Chemical installations
  • Pharmaceuticals and bioindustry
  • Power plant engineering
  • Swimming pool construction

Approvals/certifications

  • DIN 4102 B2 normal flammability (self-assessment without test certificate)
  • Physiological safety in accordance with BfR
  • Food compliance FDA

Processing

PP-R Data sheet

Random copolymer

Adaptor
6 Products
Branch
9 Products
Diaphragm valve
57 Products
Elbow
9 Products
Electrofusion socket
18 Products
Reducers concentric
43 Products
Reducers excentric
32 Products
Sheets
2 Products
Special fitting - stub flange
6 Products
Stub flange
50 Products
Tee, reduced
56 Products
Tee, standard
36 Products
Welding Rod
10 Products
SIMONA® Stub flange - PP Stub flanges for loose flange ISO/DIN, with chamfer, injected, With short spigots Produktreihenbild
Material
PP-R
SDR
11
d mm
450
e mm
40.9
Design
injected
d3 mm
514
d4 mm
585
d6 mm
449
z1 mm
139
h1 mm
60
le1 mm
60
Weight kg/piece
14.31
Colour
grey - RAL 7032
VPE/P.U. Stck./Pcs.
1
Product no.
010022342
Stock availability
Available on request
Produktnummer #: 010022342