PE-EL Stub flanges for loose flange ISO/DIN, injected Stub flange

Order no. 010600141

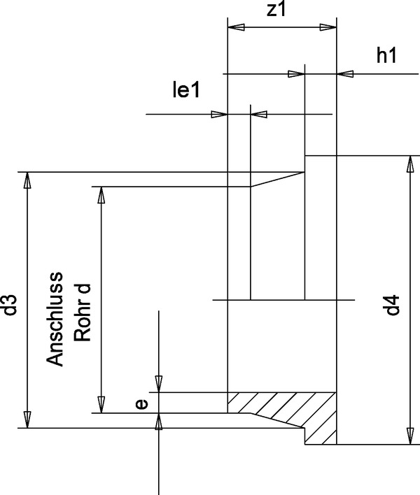
Material
PE-EL
SDR
17.6
d mm
315
e mm
17.9
Design
injected
d3 mm
335
d4 mm
370
z1 mm
164
h1 mm
25
le1 mm
93
Weight kg/piece
4.14
Colour
black
VPE/P.U. Stck./Pcs.
3
Product no.
010600141
Stock availability
Immediately available

High heat stability, electrically conductive, black

Product properties

  • Electrically conductive
  • Suitable for use in explosive atmospheres
  • High chemical resistance
  • UV-stabilised
  • High corrosion resistance
  • Very good processing properties

Areas of use

  • Chemical installations
  • Pharmaceuticals and bioindustry
  • Landfill engineering

Approvals/certifications

  • DIN 4102 B2 normal flammability (self-assessment without test certificate)

Processing

PE-EL Data sheet

High heat stability, electrically conductive, black

ATEX - Policy Document on EU-Directive 2014/34/EC Brochures

PDF | 1.13 MB

Pressure pipe
38 Products
Reducers concentric
22 Products
Sheets
29 Products
Stub flange
39 Products
Tee, standard
30 Products
Welding Rod
8 Products
SIMONA® Stub flange - PE-EL Stub flanges for loose flange ISO/DIN, injected Produktreihenbild
Material
PE-EL
SDR
17.6
d mm
315
e mm
17.9
Design
injected
d3 mm
335
d4 mm
370
z1 mm
164
h1 mm
25
le1 mm
93
Weight kg/piece
4.14
Colour
black
VPE/P.U. Stck./Pcs.
3
Product no.
010600141
Stock availability
Immediately available
Produktnummer #: 010600141